Контрольный просеиватель используется При очистке и измельчении пшеницы, для удаления крупных примесей и разделения материала на мелкие и крупные фракции. Обеспечивая чистоту и качество пшеничного отсева, муки или кормов, он Подготавливает продукт к следующему этапу обработки. Машина доступна в различных конфигурациях для удовлетворения потребностей в производстве муки и комбикормов
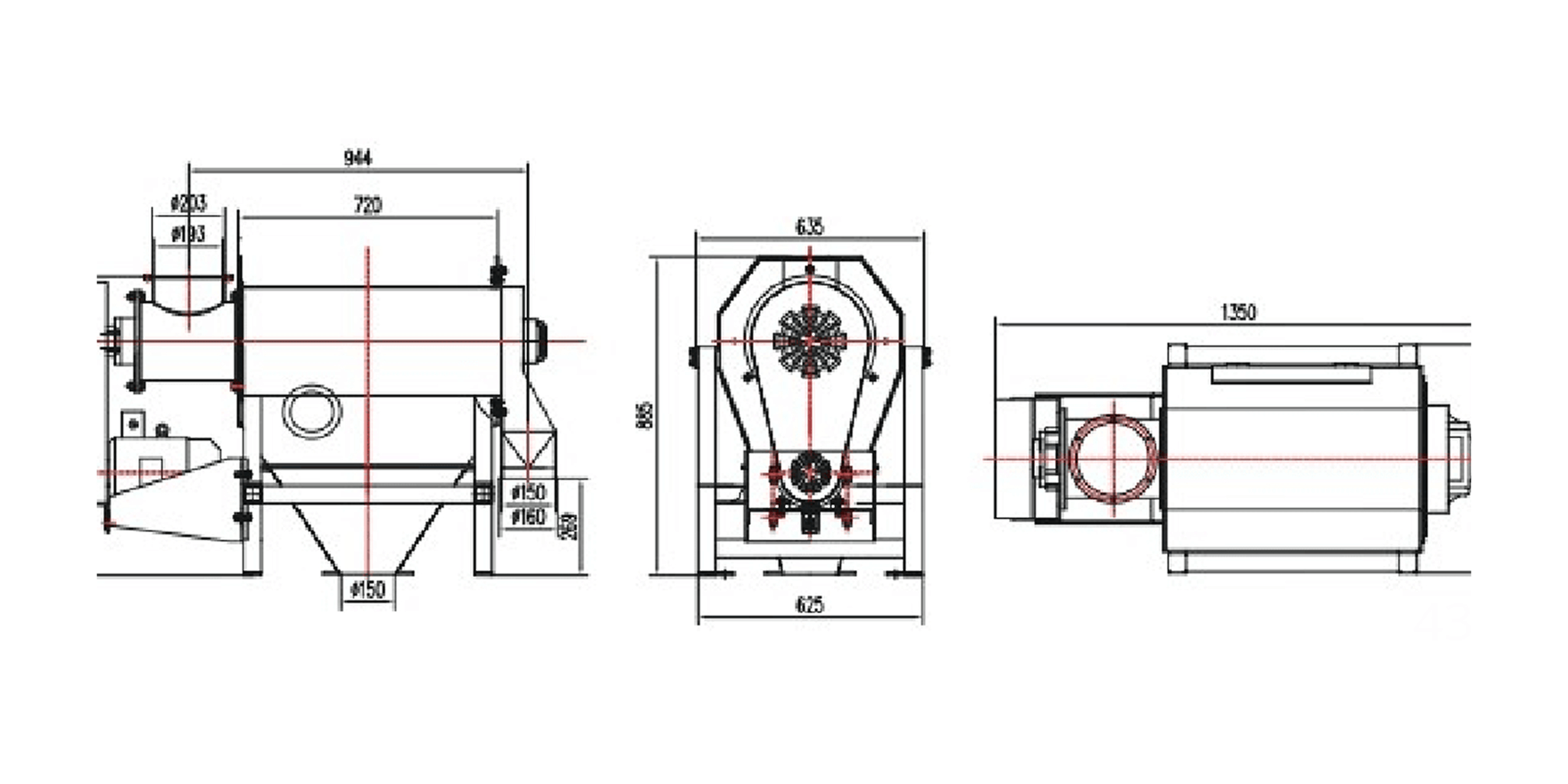
ТЕХНИЧЕСКИЙ ЧЕРТЕЖ
ОСНОВНЫЕ ПАРАМЕТРЫ
ТЕХНИЧЕСКИЙ ЧЕРТЕЖ
ОСНОВНЫЕ ПАРАМЕТРЫ
СМОТРИТЕ ТАКЖЕ
УЗНАТЬ АКТУАЛЬНУЮ СТОИМОСТЬ
Оставьте ваши контактные данные — мы уточним цену оборудования с учётом комплектации и свяжемся с вами в ближайшее время.